
设备介绍
PF反击式破碎机适合各种软、中硬矿石的中碎、细碎作业,主要由机壳、转子和反击板组成。转子具有更大的转动惯量,能耗低;采用高铬板锤,抗冲击、抗磨损,有效延长了易损件使用寿命。广泛用于冶金、矿山、水泥、化工、耐火材料及陶瓷等工业部门,以及高速公路建设、水利工程、建筑碎石、机制砂加工等领域。产品参数
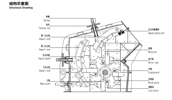
PF反击式破碎机利用冲击能破碎物料。工作时,转子在电动机的带动下高速旋转,从进料口进入的物料与转子上的板锤撞击,受到板锤的高速冲击被破碎;破碎后的物料又被反击到衬板上再次破碎;最后从出料口排出。调整反击架和转子架之间的间隙可达到改变物料出料粒度和物料形状的目的。
|
型号
|
进料口尺寸
(mm×mm) |
最大进料
粒度 (mm) |
处理能力
(t/h) |
电机功率
(kW) |
重量
Weight(t) |
外型尺寸
(mm) |
|
PF-1007
|
820×700
|
300
|
24-45
|
55
|
9.5
|
400×1558×2660
|
|
PF-1010
|
1170×720
|
350
|
50-80
|
75
|
10
|
2532×1985×2196
|
|
PF-1210
|
1090×465
|
350
|
80-130
|
110
|
14
|
2638×2037×2713
|
|
PF-1214
|
1440×465
|
350
|
100-160
|
132
|
18
|
2580×2400×2810
|
|
PF-1315
|
1532×560
|
500
|
140-200
|
200
|
19.3
|
2840×2748×2556
|
|
PF-1316
|
1690×859
|
500
|
150-200
|
200
|
19.5
|
3096×2850×2667
|
|
PF-1515
|
1580×696
|
500
|
220-280
|
280
|
28.5
|
3553×2835×3277
|
|
PF-1620
|
1600×2080
|
800
|
350-450
|
560
|
47.5
|
3800×3350×3250
|
|
PF-1822
|
1500×2250
|
1000
|
550-860
|
630
|
90
|
4260×3550×3640
|
特点和优势
1.适用广泛,粒型较好。